Hoppa till innehållet
Hem
Tankar
Alla tankar
Nytillverkade tankar
Containertankar
Frakter
Om oss
Om oss
Miljö
Referenser
Köpvillkor
Cookiepolicy
Integritetspolicy
Hem
Tankar
Alla tankar
Nytillverkade tankar
Containertankar
Frakter
Om oss
Om oss
Miljö
Referenser
Köpvillkor
Cookiepolicy
Integritetspolicy
Kontakt
här
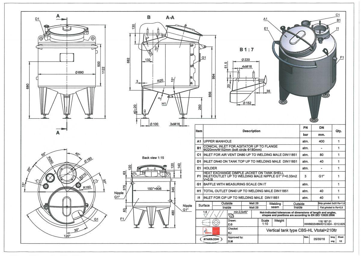
200 liter tank i Syrafast 316
Art.nr: 9272
63,000,00
kr
/st exkl moms
Isolerad
: Nej
Material
: Syrafast 316
Modell
: Vertikal
Nytillverkad eller begagnad
: Nytillverkad
Trycktank
:
Uppvärmning/kylning
: Ja
Omrörare
: Nej
Lagersaldo:
Ladda ner PDF
Skicka en förfrågan
Se våra referenser >
Fakta
Ytterligare information
Ytterligare information
Beskrivning av produkt
Livsmedelsklassad:
Ja
Material:
Syrafast 316
Modell:
Vertikal
Nytillverkad/Begagnad:
Nytillverkad
Arbetstryck i tank:
ATM – atmosferic
Finish rostfritt stål:
2b
Konfiguration:
single jacketed with heat-exchanger
Max. arbetstemperatur:
80 °C
Maximal densitet för produkten:
1200
Mobil tank:
Nej
Övrig information:
flange for agitator is forseen; article price without agitator; feel free to ask for agitation possibilities on this tank; Ra=<0.8µm
Omrörare:
Nej
Ra innersvets:
0,80
Tankens form:
cylindrical
Total urtappning:
Ja
Typ av botten:
conical 15 °
Uppvärmning/kylning:
Ja
Vätskeberörd yta:
SS AISI 316L (V4A)
Volym i liter:
200
Utrustning
Fläns för omrörare:
Ja
Märkskylt:
Ja
Livsmedelsklassad:
Ja
Tankutlopp:
inside Ø 40 mm
Teknisk ritning finns:
Ja
Utloppstyp:
DIN11851 male
Översikt material
Material:
Syrafast 316
Fixeringspunkt(er):
RVS 304
Dimensioner av tank
Cylinderhöjd:
500 mm
Mått utlopp till marken:
250 mm
Total höjd:
1.122 mm
Ytterdiameter:
690 mm
Värmeväxlare
Anslutning värmeväxlare:
1"BSP male
Arbetstemperatur värmeväxlare cylinder:
80 °C
Höjd värmeväxlare:
375 mm
Kontaktyta cylinder:
0,33 m²
Typ av värmeväxlare på cylinder:
dimple-jacket
Vattentryck värmeväxlare:
3 Bar
Tjocklek på tank
Botten:
3 mm
Cylinder:
3 mm
Topp:
3 mm
Mer
Värmeväxlare:
RVS 304
Isolerad:
Nej
Vikt:
120
Products search
Sök
×
Varukorg
Offertförfrågan
Företag
Ditt namn
Din e-post
Telefonnummer
Jag vill få offert inkl. fraktkostnad
Postnummer
Övrig information
Genom att använda detta formulär accepterar du att vi sparar och bearbetar dina uppgifter enligt vår
Integritetspolicy
Skicka