100 liter tank i Syrafast 316

Art.nr: 7940

79,000,00 kr /st exkl moms

Isolerad: Nej
Material: Syrafast 316
Modell: Vertikal
Nytillverkad eller begagnad: Nytillverkad
Trycktank:
Uppvärmning/kylning: Nej
Omrörare: Nej

Lagersaldo: 

3 i lager

100 liter tank i Syrafast 316

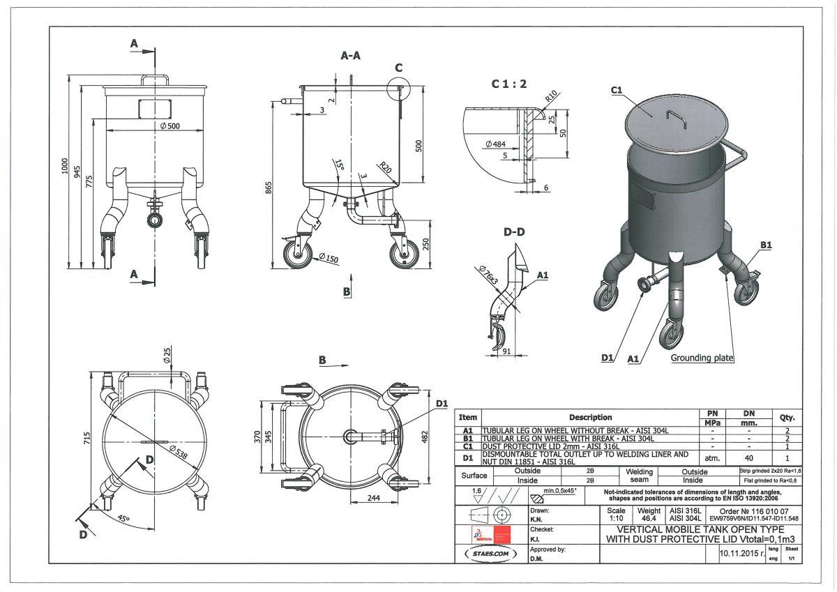
item available on order Article type: brand new transport tank - type VC-SCO Additional information: example picture;  Ra=<0.8µm  Volumetric volume (L): 100 L Max. density P (kg/m³): 1.200 Ra inner weld: 0,80 Finish stainless steel: 2b Pressure in tank: ATM - atmosferic Max. temperature (°C): 80 °C Min. temperature (°C): -10 °C Material wet parts: SS AISI 316L (V4A) Model: vertical Configuration: single-skin Heat exchanger: no Insulation: no Mobile tank: yes Top type: large seperat lid Shape of tank: cylindrical Bottom type: conical Total discharge: yes Fixation points: 4 casters Fixation point(s): RVS 304L Suitable for food industry: yes Documents included: yes, optional Technical drawing included: yes Registration plate on the tank: yes Flange for agitator: no CIP spray ball: no Tank outlet: inside Ø 40 mm Outlet type: DIN11851 Total outlet valve: no, optional Agitator: no, optional Top: 2 mm Cylinder: 3 mm Bottom: 3 mm Distance from outlet to ground: 250 mm Outer diameter tank: 500 mm Total height of tank: 1.000 mm Empty weight tank: 47

Fakta

Ytterligare information

Beskrivning av produkt
Livsmedelsklassad:
Material:
Modell:
Nytillverkad/Begagnad:
Arbetstryck i tank:
Finish rostfritt stål:
Konfiguration:
Max. arbetstemperatur:
Maximal densitet för produkten:
Min. arbetstemperatur:
Mobil tank:
Övrig information:
Omrörare:
Ra innersvets:
Tankens form:
Total urtappning:
Typ av botten:
Uppvärmning/kylning:
Vätskeberörd yta:
Volym i liter:
Utrustning
Fläns för omrörare:
Märkskylt:
Livsmedelsklassad:
Tankutlopp:
Teknisk ritning finns:
Utloppstyp:
Översikt material
Material:
Fixeringspunkt(er):
Dimensioner av tank
Mått utlopp till marken:
Total höjd:
Ytterdiameter:
Tjocklek på tank
Botten:
Cylinder:
Topp:
Mer
Isolerad:
Vikt:

Offertförfrågan

Relaterade produkter

100 liter tank i Syrafast 316

143,000,00 kr /st exkl moms
Art.nr: 91149
Mer information

100 liter tank i Syrafast 316

42,000,00 kr /st exkl moms
Art.nr: 296840
Mer information

100 liter tank i Syrafast 316

41,000,00 kr /st exkl moms
Art.nr: 481164
Mer information

Relaterade produkter

100 liter tank i Syrafast 316

20,000,00 kr /st exkl moms
Art.nr: 266377
Mer information

100 liter tank i Syrafast 316

62,000,00 kr /st exkl moms
Art.nr: 7715
Mer information

100 liter tank i Syrafast 316

78,000,00 kr /st exkl moms
Art.nr: 432377
Mer information